- Menvier akıllı adreslenebilir duvar sireni, özellikle Menvier akıllı adreslenebilir kontrol panelleriyle çalışacak şekilde geliştirilmiştir.
- Bu duvar sirenlerinin yüksek verimli tasarımı, düşük akım tüketimine rağmen mükemmel ses çıkış seviyeleri sunar.
- Menvier MAS850LPS duvara montaj için tasarlanmıştır, farklı ton ve ses seviyesi seçeneklerine sahiptir, dahili kısa devre izolatörüdür ve kurulum kolaylığı için kolay adreslenebilir.
- Menvier MAS850LPSWP, harici ve yıkama alanları için çok uygun IP66 sınıfındadır, duvara montaj için tasarlanmıştır, farklı ton ve ses seviyesi seçenekleri, dahili kısa devre izolatörüdür ve kurulum kolaylığı için kolay adreslenebilir.
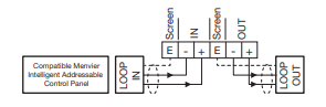
- Loop beslemeli
- Yüksek verimli tasarım
- Panel tarafından kontrol edilebilen seçilebilir tonlar
- Panel tarafından kontrol edilen ayarlanabilir ses seviyesi
- Basit klips sabitleme tertibatı
- Düşük akım tüketimi
- Dahili kısa devre izolatörleri
MAS850LPS
Adresli Duvar Montajlı Güçlü Siren
Sadece 2 adet kaldı
Açıklama
| Model | Eaton-Menvier MAS850LPS Teknik Özellikleri |
| Açıklama | Dahili duvar sireni |
| Standartlar | EN54 Pt3 |
| Tanımlama | |
| Çalışma Gerilimi | 17V dc ila 32V dc |
| Bekleme Akımı | < 320µA |
| Zil Sesleri (Panel Tarafından Ayarlanır) | Sürekli: 984Hz Darbeli: 984Hz / 0Hz darbe 1Hz İki ton: 64Hz / 984Hz @ 1Hz döngüsü Yavaş çember: 3,5 saniyede 500-1200Hz / 0,5 saniye boşluk |
| Ses Çıkışı @ +/- 3dB (Panel Tarafından Ayarlanır) | Düşük ses seviyesi: <2mA’da 87dB Orta hacim: <3mA’da 93dB Yüksek ses seviyesi: 100dB @ <6mA |
| Çevre Koşulları | |
| Çalışma Sıcaklığı | -10 ° C ila + 55 ° C |
| Nem (Yoğuşmasız) | % 0 ila 95 Bağıl Nem |
| Fiziksel Özellikleri | |
| Kasa | PC/ABS |
| Renk | Kırmızı |
| Boyutlar | 105mm x 105mm x 95mm |
| Net Ağırlık | 0.25kg |
| Koruma Sertifikası | IP42 |
| Kablo Girişi | Arka taraf |
| Uygunluk | |
| Menvier akıllı adresli yangın sistemleri ile uyumludur. | |

